Volume Manufacturing of Yo Yo Parts

February - May 2011

The project was to make fifty Yo-Yos using injection molding and thermoforming techniques as part of the Design and Manufacturing II Class at MIT. From this project, I gained hands-on experience with design for thermoforming and injection molding.

  • Teams of students designed their yo-yo according to the theme that semester. My team's yoyo consisted of an injection-molded body, a beaver that fit swung within the body, and a thermoformed cap held in place by a thermoformed ring.

    I had full ownership of the thermoformed cap, form CAD to production. I was also responsible for designing the injection molding molds for the body and producing the parts.

    We produced 100 pieces per part to make 50 yo-yos.

  • Contributions:

    • Designed CAD model of the cap in Solidworks.

    • Mold Design and Production - creating CNC program in MasterCAM, making machine drawings, and executing CNC program on lathe and mill.

    • Operated thermoforming machine to produce caps including troubleshooting, process optimization and production run of 100 caps.

    • Measured critical dimensions in the 100 produced caps. Summarized findings as mean values and their standard deviations in the final team report.

  • Original design of yoyo body by my teammate, Alex Mason. Following the original design, my contributions were:

    • Mold Design and Prototype - adapted CAD model to create cavity and core molds and the CNC programs in MasterCAM; created machine drawings; machined molds using CNC program.

    • Part Production - operated injection molding machine to produce parts, including troubleshooting, process optimization, and executing final production run of 100 parts.

    • Part Design Improvement - Adapted original design to accommodate o-ring and bearing.


Yoyo Design

The yoyo consisted of 5 produced parts: 4 injection-molded parts and a thermoformed cap. The yoyo body is designed and fitted with an o-ring and bearing for improved performance. Each team member was primarily responsible for designing at least one part.

Design Overview of Yoyo

Exploded Assembly view of yoyo

Sketch of yoyo’s critical dimensions, following team design


CNC Machining - Molds Injection Molded Yoyo Body and Thermoformed Cap

I was involved in designing and producing the thermoformed cap and the yoyo body.

  • Thermoformed cap - design, CAD modeling (Solidworks), mold design/prototyping, process optimization and part production

  • Yoyo body: I worked on this part with my teammate Alex Mason. Alex created the original design in Solidworks. I adapted his original part design to design/prototype the molds, iterated on the design to fit an o-ring and bearing, and executed the production run.

Original CAD Model of yoyo body part

Section view original Yoyo body CAD model, designed by teammate Alex Mason. I adapted this design to create the molds, and later iterated on it to fit an o-ring and bearing.

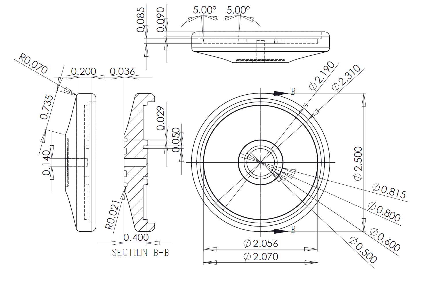
Machine Drawing of Yoyo Body

Machine drawing of yoyo body, after I modified design to fit bearing and o-ring.

CNC Programming in MasterCAM

These are images from MasterCAM, where I designed molds for a yo-yo body part. The images show the end of the CNC machining simulation.

Machined Mold

Cavity Mold that I milled, using CNC program

Core Mold - MasterCAM

Cavity Mold - MasterCAM

CNC Machined mold


Production Run - Yoyo Body, Cap

Injection Molded yoyo body

Two yoyo body parts, showing profile of yoyo

Thermoformed Cap